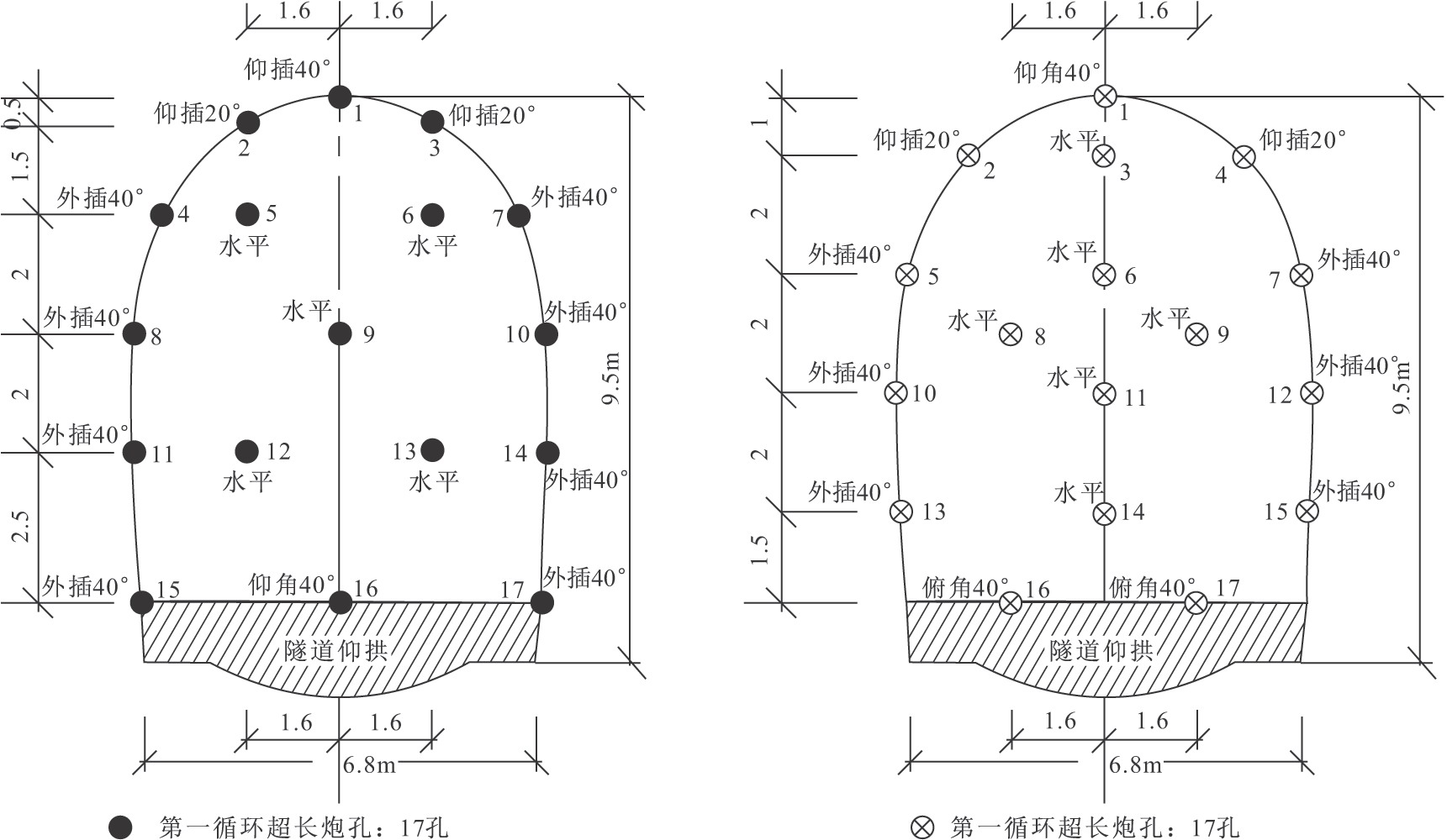
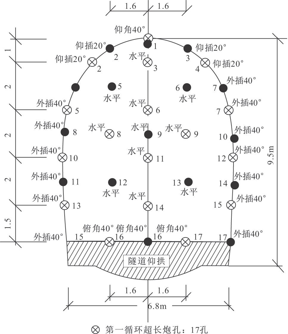
假定安全巖盤厚度為3m,正洞開挖斷面高9.5m,寬6.8m,開挖斷面探測面積135.9m2,確定超長炮孔的孔數n為17孔。超長炮孔的布置,采用兩循環交錯向前方案,第一循環超前長炮孔17孔,中間5孔為水平孔,其余各孔以20°、40°角度外插;第二循環超前長炮孔17孔,中間6孔為水平孔,其余各孔以20°、40°角度外插,如圖6-35所示,將這兩個圖合并得圖6-36。

圖6-35正洞每循環超長炮孔探測布置示意圖

圖6-36正洞超前長炮孔探測布置示意圖
免責聲明:本網站所刊載信息,不代表本站觀點。所轉載內容之原創性、真實性、完整性、及時性本站不作任何保證或承諾,請讀者僅作參考并自行核實。










































