8.6.1 干線鐵路和有軌電車線路的平交道口
在德國有一些鐵路和有軌電車線路的平交道口,舉例如下:
—在蓋爾森基興地區的Schalke-wanne鐵路與Bismarckstrabe有軌電車線路的平交道口;
—在多特蒙德地區Huckarde Sud支線到Deusen的鐵路與多特蒙德城市輕軌系統的平交道口;
—在Markkleeberg靠近萊比錫鐵路的萊比錫到Altenburg的鐵路與當地有軌電車線路的平交道口。
有軌電車采用了受電弓使其與接觸網設備呈直角相交成為可能 (圖8.18)。鐵路干線接觸網的接觸線安裝在有軌電車接觸線的下面,這為鐵路干線提供了更有利的運行環境。采用將附加接觸線固定在接觸線上的方法來減小相交的接觸線之間的高度差,有軌電車的受電弓被導向高度較低的干線鐵路接觸線的高度。為避免接觸網因溫度變化引起的縱向移動,交叉線采用了類似于中心錨結的設計。交叉路段大量的附加設備限制了行車速度,如干線列車的運行速度限制在每小時50km,有軌電車的速度限制在每小時30km。通過增加交叉部分的彈性可以提高速度,例如使用彈簧吊弦。

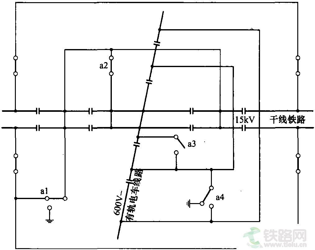
圖8.19 德國萊比錫附近Markkleeberg干線鐵路與輕軌平交道口示意圖
設計鐵路干線和城市輕軌的平交道口時一定要避免鐵路干線和輕軌供電系統之間有電連接。所以,交叉部分的接觸網在四個方向上都要設保護區段或分段絕緣器 (圖8.19)。在Markleeberg的平交道處,當輕軌列車通過時,通過一臺隔離開關給公共接觸網區段供電的電壓為600V。德國鐵路干線接觸網的較短保護區段設有連續接地的中間區段。當干線列車要通過道口時,平交道口的攔木落下后,安裝在攔木上的尾部位置接觸器將控制隔離開關斷開,公共接觸網區段就變成了中性區。當干線牽引機車通過交叉路口時,其主斷路器是斷開的。如果機車司機忘記斷開主斷路器,保護區段會因短路產生電弧,導致變電站的饋線斷路器跳閘。平交道口的線路坡度應能使機車在任何情況下滑行駛過平交道口而無需借助機器牽引。平交道口的這種結構對人員和設備均沒有危害。

圖8.20 德國蓋爾森基興干線鐵路和輕軌平交道口的示意圖
鐵路干線和城市輕軌平交道口的另一種設計方案如圖8.20的所示,它向干線鐵路的絕緣區段和中央區段供電的電壓為AC 15 kV。
除常用的平交道口信號設備外,干線鐵路的滑行區段在交叉路段前設有El 1保護信號—— “斷開主斷路器”,在通過了交叉路口后設有El 2信號—— “閉合主斷路器”。
8.6.2 輕軌和無軌電車線的交叉
就目前所知僅在因斯布魯克有干線電氣化鐵道和無軌電車線的平交道口 [8.2],因此以下部分將重點講述已有的大量輕軌系統和無軌電車線平交道口的情況。平交區段設備的設計應考慮所使用的受電弓或受流器。大多數輕軌鐵路使用受電弓從接觸線下部接觸受流。而有些無軌電車的桿式受流器上裝有滑動集電靴,它從兩側環抱接觸線 (圖8.21)。因此,在平交區段簡單地把接觸線相交是行不通的,那樣會導致離線并對受流器造成損害。為避免昂貴的結構調整費用,桿式受流器上安裝的滑動集電靴應能從輕軌的受電弓水平高度下方通過而不會碰到任何障礙。根據接觸線的交叉角度可采用兩種交叉結構。

圖8.21 桿式受流器上的滑動集電靴

圖8.22 輕軌與無軌電車斜角交叉的接觸網布置
若以15°~75°的角度范圍相交 (圖8.22),則需使用交叉填料。這里,輕軌的受電弓借助絕緣滑板的導向穿過無軌電車接觸線的間隙。在市中心常出現輕軌和無軌電車的垂直交叉的情況,通過這種情況下的間隙是較困難的。如圖8.23所示的結構,輕軌列車的受電弓穿過交叉口時利用了受流器的寬度和受電弓的慣性。設計時還要考慮留出必要的絕緣距離,滑行間隙要盡可能小,使得列車滑行通過時不會損壞受電弓滑板。由于輕軌和無軌電車在交叉段無任何開關操作,考慮到兩系統有電位差和滑動集電靴的形狀,因此交叉段必須絕緣。在參考文獻 [8.10] 中介紹了干線鐵路和無軌電車所配置的平交系統。

圖8.23 輕軌與無軌電車線直角交叉的接觸網布置
免責聲明:本網站所刊載信息,不代表本站觀點。所轉載內容之原創性、真實性、完整性、及時性本站不作任何保證或承諾,請讀者僅作參考并自行核實。










































